E-mail Us
vol meter ac
vol meter ac
dc volmeter
vol meter dc
solar dc energy meter

PZ72L-DV voltímetro DC analizador

  • Medición de voltaje DC

  • Medir el voltaje en el sistema DC

  • DI/DO, salida de relé de alarma

Características del PZ72L-DV Analizador de voltímetro DC

Exactitud

Current: 0,5 de clase


Fuente de alimentación

AC 220V


Current: Consumo de energía

<0,5 VA


Fuente de alimentación

Consumo de energía ≤ 5VA


Instalación

Instalación incrustada


Corriente inicial

0.3%

dc electric meter

Placa frontal (L× W)

75x75mm


Recorte (L× W)

67x67mm


Vivienda (L× W× H)

66x66x98mm


Interruptor de relé

DC 30V/3A AC 220V/3A

dc energy meter


Especificaciones de PZ72L-DV DC Voltímetro Analizador

Parámetro técnicoValor
EntradaValor nominalTensión AC: FaseAC único 100V, 400V
Tres phaseAC 100V, 400V, 660V(UL-L, sólo 72/ 96)
Corriente AC: AC1A,5A;
Tensión DC: 1000V, 300V, 75mV, 10V;
Corriente DC: 0-20mA, 4-20mA, 5A;
SobrecargaTensión: 1,2 veces el valor nominal (continuo); 2 veces el valor nominal/1 segundo
Current: 1,2 veces el valor nominal (continuo); 10 veces el valor nominal/1 segundo
Frecuencia45Hz ~ 65Hz
Consumo de energíaConsumo de energía de cada voltaje, el circuito de entrada actual es inferior a 0.5VA
Exactitud0,5 de clase
FunciónPantallaLED o LCD
ComunicaciónRS485, Protocolo Modbus-RTU;(1 bit de inicio, 8 bit de datos, 1 bit de parada, sin paridad)
Tasa de baudios 2400/4800/9600/19200 BPS, etc.
AlarmaRelé pasivo de 1 canal, capacidad de contacto 3A/30VDC,3A/250VAC, utilizado para alarma de alto, bajo, desequilibrio, etc.
AnalógicoDC4 ~ 20mA,(carga <500Ω)
(Nota: El cable blindado se selecciona especialmente para la entrada y salida de la señal anterior)
ConmutaciónEntrada: 4 canales o 2 canales de entrada de contacto seco, fuente de alimentación incorporada
Salida: salida de conmutación de 2 canales, sin contacto de relé, capacidad: 3A/30VDC,3A/250VAC
Suministro auxiliarAC/DC 85-265V
Consumo de energía<5VA
Resistencia de aislamiento≥ 100 MΩ
Voltaje soportado de frecuencia de potenciaEntre el conjunto de terminales de alimentación y la entrada de señal, conjunto de salida de terminales 2kV/1min (RMS)
Entre la carcasa y todos los terminales (excepto el conjunto de terminales de tensión de referencia inferior a 40V) AC 4kV
Medio ambienteTemperaturaOperación: -10 °C ~ + 55 de almacenamiento: -25 °C ~ + 70 °C
Humedad≤ 95% RH, sin condensación, sin gas corrosivo
Altitud≤ 2500m


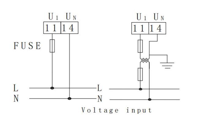
Dibujos de PZ72L-DV DC Voltímetro Analizador

Gracias por su atención a Acrel
Conozca su necesidad de un medidor de energía inteligente.
Acrel se pondrá en contacto con usted lo antes posible.
*
*
*