E-mail Us

Solución de monitoreo de aislamiento del sistema de TI médica

Los dispositivos de monitoreo de aislamiento del sistema de TI médico y los sistemas de ubicación de fallas son adecuados para quirófanos de hospitales, UCI (CCU) y otros lugares importantes, y pueden proporcionar un lugar seguro para tales continuos, soluciones de energía confiable.

IT_1.png

IT_2.png


Estructura del medidor de energía inteligente para monitoreo de aislamiento médico

Acrel Structure


Funciones principales del medidor de energía inteligente para monitoreo de aislamiento médico

1. Diagrama de conexión primaria y visualización de distribución de campo

Primary connection diagram and field distribution display Primary connection diagram and field distribution display


2. Adquisición y visualización de datos en tiempo real

Real-time data acquisition and display


3. Alarma de Fault

Acrel Fault Alarm


4. ajuste remoto del parámetro y consulta

Acrel Remote Parameter Setting And Inquiry


5. Pantalla gráfica

El gabinete de monitoreo de aislamiento médico rastrea el aislamiento y el estado de la carga, junto con la temperatura de los transformadores de aislamiento, ofreciendo pantallas gráficas claras para cada sistema de energía aislado utilizado enFuentes de alimentación aisladas médicas... Su diseño fácil de usar garantiza un funcionamiento conveniente y un monitoreo eficiente.

Selección de productos de medidor de energía inteligente para monitoreo de aislamiento médico

1. transformador de aislamiento Médico de la serie AITR

  • Transformadores de aislamiento para sistemas informáticos médicos

  • Tratamiento de doble aislamiento, capa de blindaje electrostático

  • Sensor de temperatura PT100

  • Potencia nominal: 3,15… 10KVA

  • Marca CE


Acrel Aitr Series Medical Isolation Transformer


2. monitor de aislamiento inteligente médico AIM-M10

  • Monitorización de aislamiento para sistemas informáticos médicos

  • Control de carga y temperatura del transformador de aislamiento

  • Control de desconexión del dispositivo

  • Indicadores LED: encendido, aislamiento, sobrecarga, sobretemperatura

  • Salida de relé de alarma

  • Botón de prueba

  • RS485, MODBUS-RTU


Acrel 2aim M10 Medical Intelligent Insulation Monitor


3. AIM-M100 Monitor de aislamiento inteligente médico

  • Monitorización de aislamiento para sistemas informáticos médicos

  • Control de carga y temperatura del transformador de aislamiento

  • Control de desconexión del dispositivo

  • Indicadores LED: encendido, aislamiento, sobrecarga, sobretemperatura

  • Salida de relé de alarma

  • Botón de prueba

  • RS485,MODBUS-RTU


Aim M100 Medical Intelligent Insulation Monitor


4. monitor de aislamiento inteligente médico AIM-M200

<UL class = "list-paddingleft-2">
  • Monitorización de aislamiento para sistemas informáticos médicos

  • Control de carga y temperatura del transformador de aislamiento

  • Control de desconexión del dispositivo

  • Indicadores LED: encendido, aislamiento, sobrecarga, sobretemperatura

  • Salida de relé de alarma

  • Botón de prueba

  • Ubicación de la falla de aislamiento

  • RS485 (MODBUS-RTU) CAN (Protocolo personalizado)


  • Acrel AIM-M200 Medical Intelligent Insulation Monitor


    5. AID10 alarma e instrumento de visualización

    • Monitoreo remoto

    • Indicadores LED: encendido, aislamiento, sobrecarga, sobretemperatura

    • Botón mudo

    • Botón de prueba

    • Fuente de alimentación: DC24V

    • RS485, MODBUS-RTU


    Acrel Aid10 Alarm And Display Instrument


    6. AID120 alarma e instrumento de visualización

    • Monitoreo remoto

    • Indicadores LED: encendido, aislamiento, sobrecarga, sobretemperatura

    • Botón mudo

    • Botón de prueba

    • Fuente de alimentación: DC24V

    • RS485, MODBUS-RTU


    Acrel AID120 Alarm and Display Instrument


    7. AID150 alarma e instrumento de visualización

    • Monitoreo remoto

    • Indicadores LED: encendido, aislamiento, sobrecarga, sobretemperatura

    • Botón mudo

    • Botón de prueba

    • Fuente de alimentación: DC24V

    • RS485, MODBUS-RTU


    Acrel AID150 Alarm and Display Instrument


    8. ACLP10-24 fuente de alimentación DC

    • Fuente de alimentación a la serie AID

    • Entrada AC 220V, salida DC 24V

    • Transformador lineal completamente aislado

    • Indicador de encendido


    Acrel ACLP10-24 DC Power Supply


    9. generador de señal ASG150

    • Generación de señal de ubicación de falla

    • Detección de desconexión L1 y L2

    • Indicadores LED: On, Comm, L1, L2, Falla

    • Bus CAN, Protocolo personalizado

    • Fuente de alimentación: DC24V


    Acrel ASG150 Signal Generator


    10. AIL150-4/-8 Localizador de fallos de aislamiento

    • Ubicación de falla de aislamiento en sistemas de TI AC

    • AIL150-4: 4 canales de medición

    • AIL150-8: 4 canales de medición

    • Indicadores LED: On, Comm, L1…L8

    • Bus CAN, Protocolo personalizado

    • Fuente de alimentación: DC24V


    Acrel AIL150-4/-8 Insulation Fault Locator

    11. Gabinete de distribución de energía de aislamiento médico GGF


    9.jpg

    11.jpg




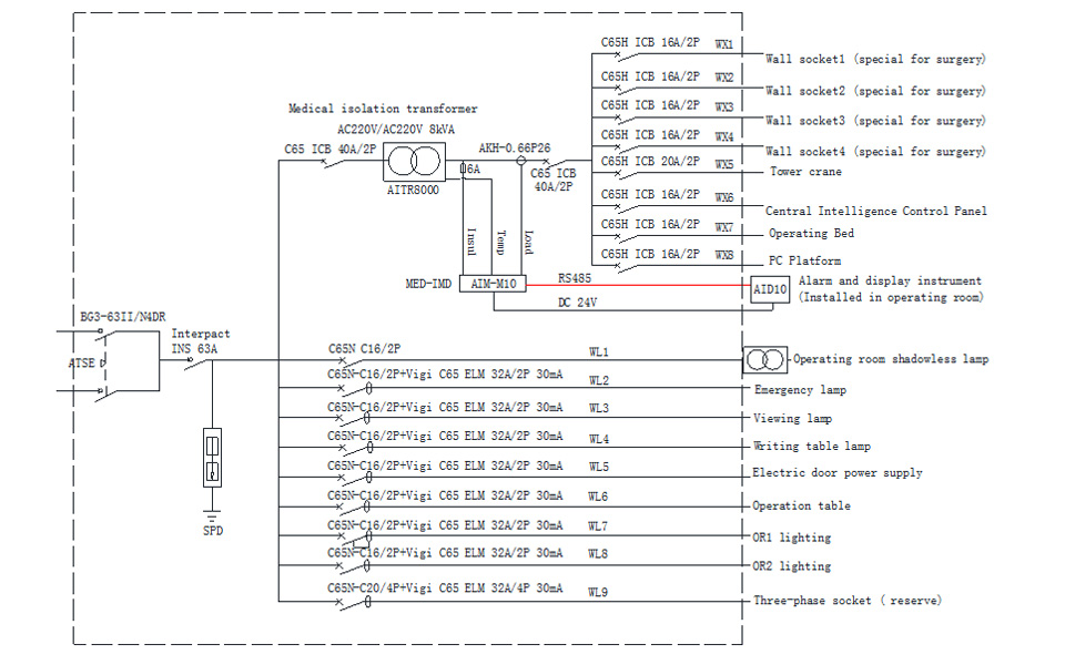
    Solución típica

    1. Conjunto de cuatro piezas

    Acrel Four Piece Set


    2. Conjunto de cinco piezas

    Acrel Five Piece Set


    3. Conjunto de siete piezas

    Acrel Seven Piece Set


    Fotos en el sitio

     Acrel Co Ltd