E-mail Us
remote power failure alarm
remote power failure alarm
remote control personal alarm
wifi remote alarm
remote personal alarm

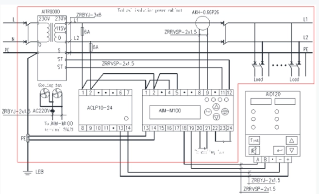
AID120 alarma y indicador de visualización

  • Monitoreo remoto

  • Botón mudo

  • Botón de prueba

  • Fuente de alimentación auxiliar: DC24V

  • RS485(MODBUS-RTU)

Especificaciones de AID120 alarma y indicador de visualización

Potencia auxiliarVoltajeDC 24V
Consumo de energía≤ 0,6 W
Rango de medición de aislamiento10 ~ 999 kΩ
Rango de alarma de aislamiento50 ~ 999 kΩ
Velocidad de carga del transformadorVisualización del porcentaje
Rango de alarma actual14A, 18A, 22A, 28A, 35A, 45A
Rango de alarma de temperatura0 ~ 200 ℃
Modo de alarmaAlarma audible y visual
Tipo de alarmaFallo de aislamiento, sobrecarga, exceso de temperatura, falla del dispositivo
Modo de comunicaciónRS485(MODBUS-RTU)
Modo de visualizaciónPantalla LED


Dibujos de AID120 alarma y indicador de visualización

Gracias por su atención a Acrel
Conozca su necesidad de un medidor de energía inteligente.
Acrel se pondrá en contacto con usted lo antes posible.
*
*
*