E-mail Us
multifunctional battery meter
multifunctional battery meter
multifunction meter
multifunction meter price

Analizador de voltímetro monofásico AMC48L-AV

  • Medición de tensión

  • Pantalla LED de cristal líquido

  • Voltímetro monofásico

Características del analizador de voltímetro monofásico AMC48L-AV

Comunicación

RS485(Modbus-RTU)

Pantalla

Pantalla LCD, establece la potencia de multiplicación

Calificado U & I

FaseAC único 100V,400V

Exactitud

Energía activa: Clase 0,5

Instalación

Panel montado

ac voltage meter

Dimensión (L * W * H)

Tamaño del panel (L× W): 48*48mm

Recorte (L× W): 45*45mm

Profundidad (H): 93mm

Consumo

Corriente: Consumo de energía <0,5 VA;

Fuente de alimentación auxiliar: consumo de energía ≤ 5VA

Fuente de alimentación auxiliar

AC 220V

ac voltmeter


Especificaciones del analizador de voltímetro monofásico AMC48L-AV

Parámetro técnicoValor
EntradaValor nominalTensión AC: FaseAC único 100V,400V
Tres phaseAC 100V,400V,660V(UL-L, sólo 72/ 96)
SobrecargaTensión: 1,2 veces el valor nominal (continuo); 2 veces el valor nominal/1 segundo
Current: 1,2 veces el valor nominal (continuo); 10 veces el valor nominal/1 segundo
Frecuencia45Hz ~ 65Hz
Consumo de energíaConsumo de energía de cada voltaje, el circuito de entrada actual es inferior a 0.5VA
Exactitud0,5 de clase
FunciónPantallaLED o LCD
ComunicaciónRS485, Protocolo Modbus-RTU;(1 bit de inicio, 8 bit de datos, 1 bit de parada, sin paridad)
Tasa de baudios 2400/4800/9600/19200 BPS, etc.
AlarmaRelé pasivo de 1 canal, capacidad de contacto 3A/30VDC,3A/250VAC, utilizado para alarma de alto, bajo, desequilibrio, etc.
AnalógicoDC4 ~ 20mA,(carga <500Ω)
(Nota: El cable blindado se selecciona especialmente para la entrada y salida de la señal anterior)
ConmutaciónEntrada: 4 canales o 2 canales de entrada de contacto seco, fuente de alimentación incorporada
Salida: salida de conmutación de 2 canales, sin contacto de relé, capacidad: 3A/30VDC,3A/250VAC
Suministro auxiliarAC/DC 85-265V
Consumo de energía<5VA
Resistencia de aislamiento≥ 100 MΩ
Voltaje soportado de frecuencia de potenciaEntre el conjunto de terminales de alimentación y la entrada de señal, conjunto de salida de terminales 2kV/1min (RMS)
Entre la carcasa y todos los terminales (excepto el conjunto de terminales de tensión de referencia inferior a 40V) AC 4kV
Medio ambienteTemperaturaOperación: -10 °C ~ + 55 de almacenamiento: -25 °C ~ + 70 °C
Humedad≤ 95% RH, sin condensación, sin gas corrosivo
Altitud≤ 2500m


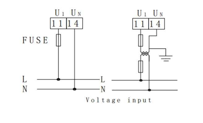
Dibujos de AMC48L-AV monofásico del analizador de voltímetro

Gracias por su atención a Acrel
Conozca su necesidad de un medidor de energía inteligente.
Acrel se pondrá en contacto con usted lo antes posible.
*
*
*