E-mail Us
health management information systems
health management information systems
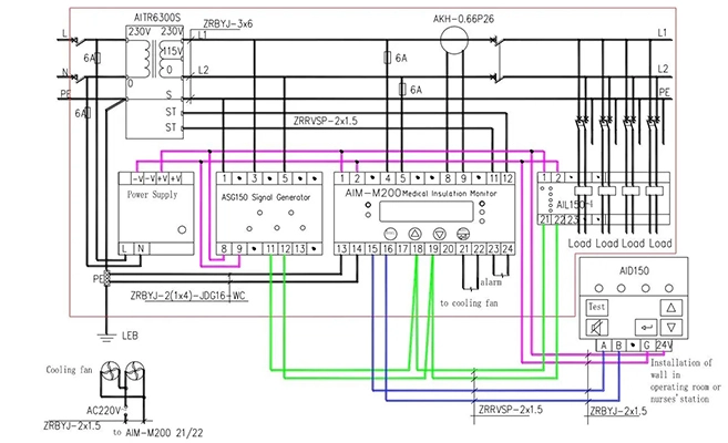
hospital isolation panel
isolated power panels for healthcare facilities
isolation panels in hospitals

AID150 alarma y dispositivo de visualización

  • Monitoreo remoto

  • Indicador LED

  • Interfaz HMI para configuración de parámetros remotos y silenciador de alarma

  • IEC60364-7-710:2016; IEC 61557-8-2007; EMC

Características de la alarma AID150 y del dispositivo de visualización

Monitoreo remoto

(Datos duplicados del monitor de aislamiento de la serie AIM)

● Falla de aislamiento

● Alarma

● Mensaje de funcionamiento

● A Través De RS485 (MODBUS-RTU)

Remote Monitoring

Indicador LED

● Estado de encendido y apagado de los dispositivos

● Falla de aislamiento

● Sobrecarga

● Sobretemperatura

LED Indicator

Interfaz HMI para configuración de parámetros remotos y silenciador de alarma

● Establecer el tiempo de respuesta de la supervisión de aislamiento

● Alarma audible silenciada

HMI Interface for remote Parameter Setting&Alarm Mute


Dibujos de alarma AID150 y dispositivo de visualización

Especificaciones de la alarma AID150 y del dispositivo de visualización

Parámetros/modelo
AID10AID120AID150
Potencia auxiliarVoltajeDC 24V
Consumo de energía<0,6 W
Rango de medición de resistencia de aislamiento-0-999 kΩ-
Rango de valor de alarma de aislamiento
50-999 kΩ
Visualización de la velocidad de carga del transformador-Visualización del porcentaje-
Ajustes de alarma de corriente de carga14A, 18A, 22A, 28A, 35A, 45A
Rango de valor de alarma de temperatura0 ~ 200 ℃
AlarmaAlarma audible y visible
Tipo de alarmaFallo de aislamiento, sobrecarga, exceso de temperatura, falla del equipo
ComunicaciónInterfaz RS485, Protocolo MODBUS-RTU
Método de visualización-Pantalla LED128*32 LCD


Gracias por su atención a Acrel
Conozca su necesidad de un medidor de energía inteligente.
Acrel se pondrá en contacto con usted lo antes posible.
*
*
*