E-mail Us
health management information systems
health management information systems
wifi remote alarm
medical isolated power panels
medical isolated power supply
isolated power panels for healthcare facilities

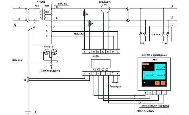
Dispositivo de aislamiento médico AIM-M10

  • Monitorización de aislamiento para sistemas informáticos médicos

  • Control de carga y temperatura del transformador de aislamiento

  • Control de desconexión del dispositivo

Dibujos de AIM-M10 dispositivo de aislamiento médico

Especificaciones de AIM-M10 dispositivo de aislamiento médico

Potencia AUXVoltajeAC220V ± 10%Monitoreo de temperaturaResistencia térmica2 Pt100
Consumo de energía≤ 5VARango de medición-50 ~ + 200 ℃
Monitoreo de aislamientoRango de medición de la resistencia10 ~ 999 kΩRango de valor de alarma0 ~ + 200 ℃
Valor de respuesta50 ~ 999 kΩAlarmaModo de salida1 Relés
Incertidumbre relativa± 10%SalidaCalificación de contactoAC 250V/3A

DC 30V/3A
Tiempo de respuesta≤ 3SMedio ambienteTemperatura de funcionamiento-10 ~ + 55 °C
Capacitancia de fuga del sistema permisible Ce≤ 5uFTemperatura de transporte-25 ~ + 70 °C
Tensión de medición Um≤ 12VTemperatura de almacenamiento-25 ~ + 70 °C
Corriente de medición Im≤ 50uAHumedad relativa5%-95%, sin condensación
Impedancia Zi≥ 200 kΩAltitud≤ 2500m
Resistencia interna DC Ri≥ 240 kΩGrado IPIP30
Voltaje DC extraño permisible Ufg≤ DC280VTensión de impulso nominal/grado de contaminación4KV/Ⅲ
Monitoreo de corriente de cargaValor de medición2,1 ~ 50AEMCIEC 61326-2-4
Valor de la alarma5 ~ 50AComunicaciónRS485(Modbus-RTU)
Precisión de medición± 5%


Gracias por su atención a Acrel
Conozca su necesidad de un medidor de energía inteligente.
Acrel se pondrá en contacto con usted lo antes posible.
*
*
*