E-mail Us
remote power failure alarm
remote power failure alarm
operating room electrical panels
are isolation panels required in operating rooms

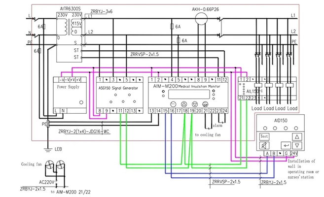
Transformador de aislamiento médico serie AITR

  • Transformador de aislamiento para el sistema de energía de TI del hospital

  • Tratamiento de doble aislamiento

  • Capa de blindaje electrostático

  • Sensor de temperatura PT100 incorporado en el bobinado

  • CE; IEC 61558-1:2009; IEC 61558-2-15:2011; IEC60364-7-710:2016

Dibujos de la serie AITR Transformador de aislamiento médico

Especificaciones del transformador de aislamiento Médico de la serie AITR

Capacidad nominal
3.15kVA/5kVA/6.3kVA/8kVA/10kVA
Frecuencia50/60Hz
Tensión de entrada nominal230V
El voltaje de salida230V/115V
Corriente de entrada<12 pulgadas
Corriente de fugas<200uA
Tensión de salida sin carga<235V
Corriente de salida sin carga<3% en
Tensión de cortocircuito<3% Un
Eficiencia> 96%
Temperatura ambiente máxima<40 ℃
Aumento de temperatura sin carga<33 ℃
Aumento de la temperatura de carga completa<76 ℃
Soportar voltaje4200 V/Min
Clase de aislamientoH
Nivel de ruido<40dB (A)


Características del transformador de aislamiento Médico de la serie AITR

Transformador de aislamiento para el sistema de energía de TI del hospital

● Inrush Current(IE): <12Ln

● Tensión de cortocircuitos: <3% Un

● Nivel de ruido: <40dB (A)

● Eficiencia: >96%

Insulation Transformer for Hospital IT Power System

Tratamiento de aislamiento múltiple

● Corriente de fuga: <200μA

● Clase de aislamiento: H


Multiple Insulation Treatment

Sensor de temperatura PT100 incorporado en el bobinado

● Termistor: PT100

● Rango de medición de temperatura: -50 ℃ ~ + 200 ℃

PT100 Temperature Sensor Embedded in the Winding


Gracias por su atención a Acrel
Conozca su necesidad de un medidor de energía inteligente.
Acrel se pondrá en contacto con usted lo antes posible.
*
*
*